+
Přidat firmu
Vyhledávání
Menu

Dvoutrubka nahradila čtyř- trubkový rozvod v Zátkově budově, České Budějovice

24.04.2019 Autor: Ing. Jiří Šíma Časopis: 2/2019

První realizace v České republice
Autor článku popisuje inovativní technické řešení projektu s využitím armatur a pohonů s možností elektronické komunikace mezi centrálním řízením a jednotlivými koncovými spotřebiči tepla a chladu, čímž lze snížit množství potrubních rozvodů a pevně udržet požadované teploty ve vytápěných a chlazených místnostech.

Recenzent: Vladimír Galád

Trocha historie

Zátkova budova byla původně postavena jako Česká vyšší reálná škola v Českých Budějovicích. Se stavbou se započalo 22. srpna 1892 a první školní rok v budově zahájil 19. září 1893. Zakladatelé Matice školská a JUDr. August Zátka měli na mysli nejen ústav vyučovací, ale také posílení češství, průpravu pro český dorost na zakládání nových českých podniků v Českých Budějovicích, kde převažoval německý vliv.

Dne 30. 10. 1940 zabralo Zátkovu budovu školy německé vojsko a následně budova po léta měnila majitele. V roce 1996 budova přešla do majetku Střední školy a Školy cestovního ruchu v Českých Budějovicích. Po předání Zátkovy budovy se zjistilo, že se musí provést v dosahu několika let její celková rekonstrukce, která započala v únoru 2000 a byla dokončena v červenci 2001.

Image 1Obr. 1 • Letecký pohled na Zátkovu budovu

Po celkové rekonstrukci budovy, a jejím uvedením do provozu, se začaly objevovat první problémy jako daň rozvojového kapitalizmu. Rekonstrukce budovy, dle mého názoru, doplatila na nejnižší cenovou nabídku, nedodržování schválené projektové dokumentace montážními firmami a nekvalifikovaný stavební a technický dozor. Velmi brzo se jako problematické ukázalo vzduchotechnické zařízení, chlazení, příprava teplé vody, měření a regulace. Největší problémy pak vykazovalo vytápění a chlazení tříd a kabinetů v podkrovním 4. NP budovy.

Nevyhovující stav technického zařízení došel až tak daleko, že v roce 2008 musel být vyhotoven znalecký posudek na odstranění vad vzduchotechniky, chlazení a M+R, vypracovaný panem profesorem Ing. Františkem Drkalem, CSc.

V původním půdním prostoru rekonstruované budovy totiž vznikly nové prostory, o celkové podlahové ploše = 898 m2. Z toho 10 učeben, 4 kabinety pro učitele a dvě chodby, které měly zcela odlišné fyzikální (tepelně-technické) vlastnosti od učeben umístěných v 1. až 3. NP.

Zatímco učebny v 1. až 3. NP měly obvodové zdi o tloušťce zdiva 60 až 90 cm a přirozené osvětlení okny, dodatečně vestavěné učebny ve 4. NP (podkroví) měly lehký obvodový plášť tvořený zděnou přizdívkou, tepelnou izolací, sádrokartonem a mansardovými půlkulatými okny. Vzhledem k tomu, že mansardovými okny nešlo dosáhnout přirozeného osvětlení, osadily se do šikmin střešního pláště kolektory s lineárními Fresnelovými čočkami (viz obr. 2). Na obr. 1 jsou velmi dobře viditelné na obou křídlech střechy východní i jižní fasády. Jedná se o 4 kolektory.

Image 2Obr. 2 • Půlkulaté okno včetně fan-coilu a střešní kolektor s lineárními Fresnelovými čočkami

Potřebný chladicí výkon byl v původním projektu vypočítán na Qch =  120 kW, ale i dodavatelská firma osadila pro výrobu chlazené vody na střechu jednotku o chladicím výkonu pouhých Qch = 79 kW. Přitom byla nosnost základu dimenzovaná na zdroj chladu o větším výkonu.

Dodavatel změnil schválenou Dokumentaci k provedení stavby(dále DPS), když namísto projektované skladby otopných těles a chladicích nástěnných jednotek osadil jednotlivé místnosti pouze fan-coily ve čtyřtrubkovém provedení, tj. dvěma výměníky a dvěma regulačními prvky (jeden pro vytápění a druhý pro chlazení) – viz obr. 4.

Image 3Obr. 3 • Skutečný stav za sádrokartonovou příčkou

Image 4Obr. 4 • Čtyřtrubkové připojení stávajícího fan-coilu

Řešení si dodavatel velmi zjednodušil. Fan-coily napojil na stoupačky potrubního rozvodu ÚT s regulací vody v závislosti na venkovní teplotě a pro rozvod chladicí vody si navrhnul ocelová potrubí opatřená tepelnou izolací. Protože měl ale snížený chladicí výkon na jednotce umístěné na střeše, musel snížit i chladicí výkon jednotlivých fan-coilů.

Za kým šla úspora po zjednodušení projektu, asi není třeba zmiňovat. Otázkou je, jak je možné, že na to nikdo nereagoval.

Rád bych se zastavil u fan-coilů. Jejich chod byl řízen, na základě vnitřní teploty v místnosti snímané čidlem, přímo v tělese fan-coilu. V místnostech s větším počtemfan-coilů je řídil jeden z nich, který byl vybrán jako řídicí. Studenti v učebnách se s jejich ovládáním naučili velmi brzo zacházet a regulovali si teplotu dle svého uvážení – totéž platilo i o učitelském sboru.

Výsledek se záhy žalostně projevil. Ve všech učebnách studenti ovladače pro nastavení teploty vzduchu v prostoru zničili. Dodavatelem díla úmyslně snížený chladicí výkon fan-coilů vedl k přehřívání prostoru učeben. Někteří studenti dokonce seděli v učebnách v prošívaných bundách, které se pokusili použít jako ochranu – izolaci proti nadměrné vnitřní teplotě. Z důvodů poddimenzování chladicího výkonu zdroje a fan-coilů, a také kvůli vadným ovladačům, se nedařilo během léta učebny řádně chladit. V zimě pak nešlo učebny vytopit, protože teplota dodávané otopné vody pro fan-coily byla ekvitermně regulovaná (v závislosti na venkovní teplotě) jako pro otopná tělesa, která mají odlišné teplotní exponenty. Klasické vytápění tělesy má odlišné potřeby parametrů, než fan-coily.

Z těchto důvodů se musely znovu a správně řešit mikroklimatické podmínky učeben, a to již po 150 letech provozu nově zrekonstruované budovy.

Podklady a průzkumy

Pro případnou další rekonstrukci 4. NP nebyly k dispozici výkresy skutečného provedení, i když dle stavebního zákona je měla povinně provést realizační firma. Proto se původní termín odevzdání DPS posunul z 30. 6. 2017 až na 30. 10. 2017 z důvodu došetření a zakreslení skutečného stavu ústředního vytápění a chlazení.

Původní projektové řešení 4. NP, tj. učebny a chodby, spočívalo ve vytápění otopnými tělesy, přirozeném větrání mansardovými okny a pro období letní výuky (květen, červen, září) bylo navržené chlazení učeben a chodeb nástěnnými jednotkami napojenými na rozvod chladicí vody.

Před zahájením projekčních prací na novém, technicky správném, konceptu nastal závažný problém. Nikdo si totiž již nepamatoval, jak byly provedeny potrubní rozvody otopné a chladicí vody, odvodu kondenzátu a kabely pro rozvod elektrického proudu ve 4. NP. Všechny uvedené instalace pečlivě zakrývala sádrokartonová stěna tloušťky 15 mm a tepelná izolace tloušťky 80 mm. Nakonec jsem, po dlouhých tahanicích s vedením školy, nařídil vyřezat otvory do sádrokartonové stěny tak, abychom mohli zjistit skutečné umístění potrubí a kabelů. Pro představu se jednalo o 108 m délky potrubí a kabelů uložených za sádrokartonovou stěnou. Po provedených sondách se zjistil skutečný stav, viz obr. 3.

Před stávající atikou byly instalovány potrubní rozvody vytápění – trubky Rehau, chlazení – ocelové trubky včetně tepelné izolace (šedivá barva) a odvodu kondenzátu z fan-coilů – Hostalen, kabely pro rozvod elektrické energie byly hozeny na podlahu dutiny. Ocelová potrubí měla vytvořené nosné konstrukce, potrubí Rehau leželo na podlaze a potrubí pro odvod kondenzátu bylo uloženo v různých spádech na nosné konstrukci ocelového potrubí se zaústěním do kanalizace. Po instalaci potrubí se vše zakrylo sádrokartonem upevněným na nosných konstrukcích včetně tepelné izolace.

Počátky nápravy stavu – technické řešení

Po všech zjištěních, potřebných pro rozhodnutí o vytvoření přijatelných mikroklimatických podmínek v učebnách, jsem v roce 2017 na trhu objevil pro tuto situaci ideální výrobek. Šlo o kombinaci tlakově nezávislého regulačního a vyvažovacího ventilu s novým inteligentním pohonem s datovou komunikací. Pohon, díky možnosti digitální komunikace s řídicím systémem, doplnil vlastnosti ventilů o možnost dálkového přístupu k jednotlivým zařízením, který umožňuje provádění změn nastavení parametrů a pracovního rozsahu z řídicího centra. Datová komunikace nabídla využití centrálního řízení fan-coilů ve všech místnostech, včetně nastavení vnitřní teploty bez možného zásahu studentů či učitelů. Tím by se splnil požadavek vedení školy na možnost provozovat každou učebnu a kabinet dle obsazenosti a zvolit si příslušnou teplotu jak v zimě, tak v létě, včetně přechodových období, a to z řídicího PC umístěného v přízemí budovy.

V rámci ČR se jednalo o doposud nevyzkoušený systém vytápění a chlazení místností prostřednictvím pouhých dvou trubek. Obvykle se rozvody tepla a chladu oddělují, a tím vzniká potřeba instalace čtyř trubek. V tomto případě se jedná o společné potrubí jak od zdroje tepla či chladu až do koncových jednotek (fan-coilů). Teplonosnou kapalinou pro vytápění i chlazení je upravená voda, která musí mít odlišné nejen teplotní parametry, ale i hmotnostní průtoky.

Při režimu chlazení se instrukcí z řídicího systému aktivují přes pohony vyšší hodnoty průtokových maxim pro jednotlivé ventily, a naopak pro funkci vytápění se stejnou cestou aktivují nižší hodnoty průtokových maxim u jednotlivých ventilů. Hodnoty průtokových maxim určil projektant na základě projektovaného výkonu jednotlivých koncových jednotek – fan-coilů.

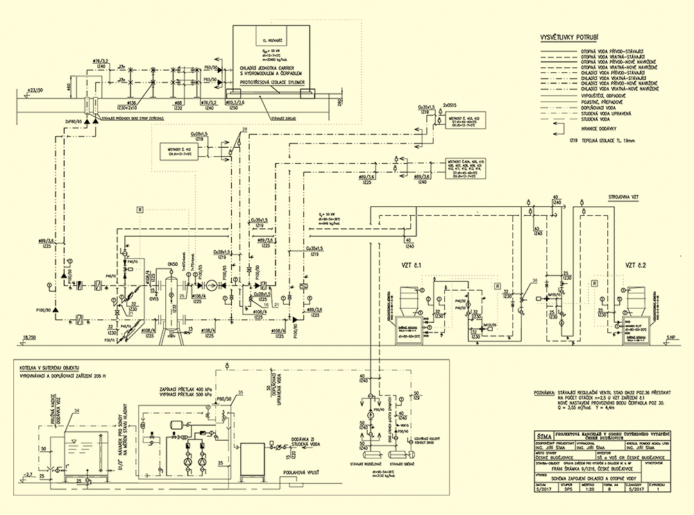
Image 5Obr. 5 • Schéma zapojení vytápění a chlazení

Další zajímavosti představovalo využití:

  • Původního potrubí (viz obr. 5) vedeného instalační šachtou z kotelny nacházející se v suterénu budovy až do 5. NP budovy, tj. strojovny VZT. Na potrubní větev s konstantní teplotou přívodní vody pro zařízení VZT se bez změny oběhového čerpadla napojila ve strojovně VZT přípojka pro vytápění 4. NP prostřednictvím změny teplotního spádu.
  • Původního základu pod chladicí jednotku dimenzovanou pro nosnost = 800 kg umístěného na střeše budovy, což bylo v tomto případě vyhovující.
  • Využití stávajícího ocelového potrubí, včetně tepelné izolace, pro dopravu otopné a chladicí vody.
  • Využití původního potrubí z Hostalenu pro odvod kondenzátu z fan-coilů.

Navržené řešení mělo za cíl vyhovět požadavkům investora a využít co možná nejvíce stávajícího zařízení. Bylo nutné oddělit otopnou soustavu od dodávky tepla do fan-coilů z důvodů úspory tepelné energie při vytápění jednotlivých tříd. Pro rozvod otopné a chladicí vody se využilo dosavadní ocelové potrubí, které původně dodávalo pouze chladicí vodu. Instalaci dvou­trubkového systému pro připojení fan-coilů umožnila regulační armatura s nově vyvinutým servopohonem, která dovolí změnu hmotnostního průtoku do fan-coilů. Regulační armatura a servopohon jsou součástí dodávky fan-coilu.

Zdrojem tepla je původní teplovodní kotelna určená pro spalování plynu, umístěná v suterénu objektu. Pro dopravu otopné vody se využije původní oběhové čerpadlo a potrubí otopné vody instalované v potrubní šachtě vedoucí do strojovny vzduchotechniky. V kotelně se musela provést úprava potrubí a armatur nad rozdělovačem.

Ze stávajícího potrubního rozvodu pro ohřev vzduchu ve větracích jednotkách, umístěných ve strojovně VZT, se provede nová potrubní přípojka do hydraulického vyrovnávače dynamického tlaku (dále jen HVDT) nově instalovaného ve strojovně VZT. Na přípojce se provede směšování otopné vody na nižší teplotu s teplotním spádem d= 45 – 40 = 5 °C prostřednictvím vstřikovacího ventilu.

Zdrojem chladicí vody je nová chladicí jednotka umístěná na střeše objektu na původní základ. Nevyhovující chladicí jednotku přepravil autojeřáb s krakorcem pro nosnost 35 t. Dle původní dokumentace skutečného provedení bylo těleso základu navrženo pro zatížení o hmotnosti 800 kg. Nově instalovaná chladicí jednotka se napojila na stávající přívod elektrického proudu.

Z chladicí jednotky se provedlo nové potrubí pro rozvod chladicí vody vedené nad střechou objektu a ve strojovně VZT. Ve strojovně VZT se potrubí napojilo na nově instalovaný HVDT. Nucený oběh chladicí vody je zajištěn do HDVT oběhovým čerpadlem umístěným v chladicí jednotce. Nová chladicí jednotka nemá tlakovou expanzní nádobu, má vlastní automatiku řízení chodu a bude spínána od čidla teploty na výstupu z HVDT.

Soustavy otopné a chladicí vody budou trvale propojeny přes HVDT a plněny upravenou vodou ze stávající kabinetové úpravy vody vyrovnávacím a doplňovacím zařízením VDZ 205H, které je umístěno v teplovodní kotelně. Na zařízení VDZ 205H se musel přenastavit zapínací a vypínací přetlak z důvodu vyššího vodního sloupce vody.

Proti vnikání otopné vody do okruhu chladicí vody a naopak, chrání potrubní okruhy zpětné klapky. Přepínání provozu zdrojů tepla a chladu se bude provádět automaticky popřípadě i ručně na základě venkovní teploty, která se prozatím stanovila na +18 °C.

Soustavu pro rozvod chladicí a otopné vody nelze, z důvodu vzájemného propojení, naplnit nemrznoucí směsí – chladicí jednotka a potrubí vedené po střeše objektu se tak musí na zimu vypouštět. Z tohoto důvodu jsou na potrubí chladicí vody ve strojovně instalovány vypouštěcí kulové kohouty. Jedná se o objem 100 litrů. Vzhledem k tomu, že se v chladicí jednotce nachází deskový výměník, musí se na zimu vypuštěná část jednotky naplnit nemrznoucí směsí, a na jaře zase vypustit.

Fan-coily

Při výběru fan-coilů jsem oslovil napřed tři firmy dovážející zařízení k úpravě vzduchu, ale zůstalo pouze u dovezení výrobků do ČR bez možnosti korigovat jejich předem stanovené parametry. Pochopení jsem potom nalezl u jedné firmy v ČR.

Image 6Obr. 6 • Celkový pohled na připojení zdrojů tepla a chlazení na dvoutrubkováý systém

Pracovník této firmy provedl výpočet výměníku pro chlazení a vytápění v každé velikosti fan-coilu. Bylo nutné, z hlediska porovnání hmotnostních průtoků mezi chladicí a otopnou vodou, se pokud možno přiblížit alespoň poměru 1 : 1 až 3 : 1, což se skutečně podařilo vyhledáním vhodného teplotního spádu na výměníku pro vytápění, neboť teplotní spád pro chlazení předem určovala chladicí jednotka. Teplotní spád d= 45 – 40 = 5 °C pro vytápění nám zajistil i vhodné nadimenzování regulačního ventilu v rozsahu dimenzí DN15 až DN20.

Další problém se vyskytnul s umístěním regulačního ventilu s pohonem, neboť ani jedna mnou oslovená firma si s tímto požadavkem nedokázala poradit, až konstruktéři fan-coilu našli konstrukční řešení pro umístění tělesa pohonu pod kryt fan-coilu.

Poslední problém v řešení instalace fan-coilů představoval odvod kondenzátu. Z důvodu neexistujícího spádu stávajícího potrubí Hostalen pro odvod kondenzátu bylo nutné instalovat do každého tělesa fan-coilu čerpadlo na přečerpávání kondenzátu. Čerpadlo je napojeno přes hadičku z plastu, hadicovou spojku a třmen s navrtávkou z litiny do potrubí Hostalen.

Fan-coily se napojily prostřednictvím pružných nerez ocelových hadic se závitovým šroubením na stávající ocelová potrubí pro rozvod chladicí a otopné vody. Velký problém znamenalo navaření odboček na stávající ocelová potrubí z hlediska ochrany před požárem ve velmi stísněných podmínkách. Viz obr. 7.

Image 7Obr. 7 • Detail připojení fan-coilu

Technické údaje jsou všechny uvedeny na výkrese na obr. 5: Schéma zapojení chladicí a otopné vody. Neméně důležité pro navržení vhodného zařízení byly provedené výpočty tepelné zátěže pro každou učebnu a kabinet. Kolektory s li­neárními Fresnelovými čočkami mají navržený odvod tepla prostřednictvím předehřevu vody a sáláním tak vzniká tepelná zátěž pro dané místnosti. Uvádím výpočet tepelné zátěže pro jednu z učeben obrácených k jihu:

Výpočet tepelné zátěže pro učebnu č. 404

  • Kolektor s Fresnelovými čočkami 9511 W
  • Mansardové okno 1641 W
  • 20 studentů 1620 W
  • Osvětlení 1570 W
  • Prostupem tepla střešního pláště 1543 W

Tepelná zátěž místnosti celkem Q= 15 885 W (platí pro měsíc květen).

Množství tepla odvedeného studenou vodou z kolektoru:

QF· q= 16,8 · 200 = 3360 W.

Kde je

  • Fk – [m2] plocha kolektoru,
  • q – [W·m–2] teplo odvedené studenou vodou z plochy kolektoru.

Potřebný chladicí výkon pro učebnu:

Qch Q– Q= 15 885 – 3360 = 12 525 W = 12,5 kW.

Dalším oříškem se staly hydraulické poměry v původním potrubí, neboť hmotnostní průtoky při provozu vytápění jsou zcela jiné než při chlazení. Tlakově nezávislý regulační a vyvažovací ventil s novým inteligentním pohonem to zvládl velmi dobře, viz provozní zkoušky.

Měření a regulace tvoří samostatnou kapitolu, co se provedení a investičních nákladů týká, o tom snad někdy příště v jiném článku.

Image 8Obr. 8 • Pohled na ventil s pohonem a čerpadlo na přečerpávání kondenzátu

Image 9Obr. 9 • Znázornění chodu 4 fan-coilů v učebně na obrazovace PC

Zkoušky a zprovoznění

Zkoušky se provedly za ideálního počasí v září, kdy venkovní teploty dosahovaly kolem t= 34 °C a koncem listopadu za t= –2 °C, takže se s úspěchem vyzkoušely oba provozní stavy pro chlazení a vytápění. Během zprovoznění se vyskytly drobné problémy, které prodloužily předání díla o 2 měsíce, jako např. prasknutí výměníku jednoho fan-coilu, poruchy čerpadel na přečerpání kondenzátu a umístění displeje na chladicí jednotce východní stranou a rovněž na střeše, kdy při oslunění nebylo možné provádět zásahy v chodu jednotky. Dodatečně se provedlo dálkové ovládání této jednotky, čímž se situace vyřešila.

Zajímavé údaje pro projektanty a investory

  • Realizace projektu: 2–10/2017, tj. 10 měsíců
  • Celkový počet fan-coilů: 33 ks
  • Rozpočtové náklady v říjnu 2017: 4 312 997 Kč bez DPH
  • Vysoutěžená cena zakázky v 3/2018: 3 984 255 Kč bez DPH
  • Z toto M+R a EI: 1 196 874 Kč bez DPH

Poděkování výrobcům a zhotoviteli

Jako projektant mám radost z toho, že lze nyní pomocí nových a inteligentních výrobků z kategorie ventilů a servopohonů, nastavit libovolně teplotu v každé učebně, či kabinetu, dle požadovaného provozu, bez vlivu nekompetentních osob, čímž se povedl splnit hlavní požadavek vedení školy.

Za spolupráci bych rád touto cestou poděkoval společnosti Danfoss s.r.o., a to panu Ing. Kučerovi, dále také Ing. Svobodovi a Bc. Hukovi z firmy FläktGroup Czech Republic a.s., bez kterých se zdárné řešení nemohlo obejít.

Poděkování patří rovněž zhotoviteli díla – firmě REKON INSTA spol. s r.o.z Volar, a jejím subdodavatelům.

Použitá literatura

  1. Zákon č. 183/2006 Sb., Zákon o územním plánování a stavebním řádu (stavební zákon), In: Sbírka zákonů České republiky. 11. 5. 2006.
    ISSN 1211-1244.
  2. Firemní materiály společností Danfoss s.r.o., FläktGroup Czech Republic a.s.


The double pipe replaced the four-pipe distribution system in the Zátka’s building, Ceske Budejovice

First realization in the Czech Republic

The author of the paper describes the innovative technical solution of the project using valves and drives with the possibility of electronic communication between the central control and individual end heat and cold appliances. This procedure reduces the number of piping and maintains required temperature in the heated and chilled rooms.

Keywords: reconstruction, two-pipe distribution, ventilation equipment, heating, cooling